Literature
Where to Buy
Countries
USA
Canada
Australia
Finish Plumbing
Smart Connected Products
Sensor Faucets
Soap Dispensers
Sensor Flush Valves
Manual Flush Valves
Aquaspec Manual Faucets
Zurn One Systems
Handwashing Systems
Hand Dryers
Fixtures
Showers
Sink Trim
View All Finish Plumbing Products
Hydro•X Power® fixtures generate and store renewable hydropower with each activation.
Drainage & Interceptors
Roof Drains
Floor Drains
Cleanouts
Carriers & Fixture Supports
Floor Sinks
Backwater Valves, Traps & Primers
Stainless Drains
Light Commercial
Trench Drain Systems
Acid Neutralization
Grease Interceptors
Oil Separators
Solids Interceptors
Hydrants & Water Hammer Arrestors
View All Drainage and Interceptor Products
Explore our New Interceptor Sizing Tool: simplify sizing with accurate results and reports.
Water Control & Backflow
Backflow Preventers
Pressure Reducing Valves
Automatic Control Valves
Thermostatic Mixing Valves
Additional Solutions
View All Wilkins Valves Products
The 900XL3 Series pays you back with faster repairs, quicker swaps, and less time fighting the install.
PEX
Plumbing
Radiant Heating, Snow Melting & Turf Conditioning
Residential Fire Safety
Learn About PEX
Fire Protection
Backflow Preventers
Fire Valves
Relief Valves
Check Valves
Backflow Accessories
Automatic Control Valves
In-Building Risers
Shut-Off Valves
Switches
Grooved Couplings Fittings
View All Fire Protection Products
Repair Parts
Building Drainage
Finish Plumbing
Water Safety & Control
View All Repair Parts
Resources
Specification
Manufacturer Cross Reference
Spec Sheet Lookup
Carrier Code Book
Interceptor Sizing Tool
Specification Library
Green Turtle Info Hub
BIMObject
MasterSpec
inSpec
General Tools
Order Chip Samples
Zurn Approvals & Certifications
Continuing Education Courses
Technical Resources
Zurn Patents
Replacement Repair Parts
Wilkins Conversion Charts
Calculators
Total Cost of Ownership & Sustainability Calculator
Featured
Literature
Zurn Innovation
Vertical Market Solutions
View All Resources
More
Literature
Where to Buy
Countries
USA
Canada
Australia
Home
Products
Repair Parts
Water Control & Backflow
Large Diameter Backflow Preventer
Reduced Pressure Detector Assembly
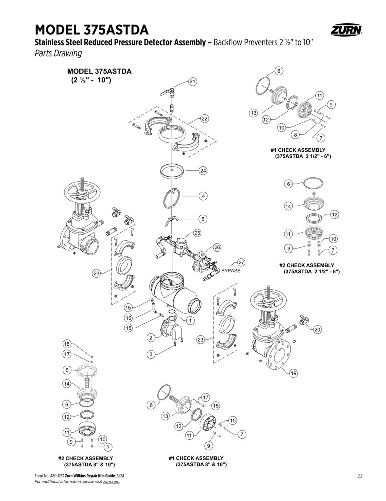
375ASTDA Parts/Repair Kits
375ASTDA PARTS/REPAIR KITS
Stainless Steel Reduced Pressure Detector Assembly - Backflow Preventer 2 1/2" to 10"
Where to Buy
BIM Resources
No BIM files found.
Specs & Installation
No spec sheets or installation files found.
×
×